Offshore Crosby L-322 svivelkrok

Produktinformasjon

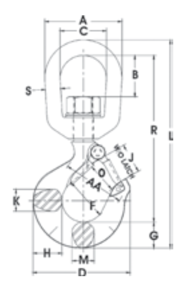
Swivel hook by Crosby, model L-322 AN

Produktegenskaper

Løftekroker har markeringer smidd inn i produktet som dekker to QUIC-CHECK® funksjoner.
Deformasjonsindikatorer – To strategisk plasserte markeringer, én like under skaftet eller øyet og én på krokspis

Vis mer

Artikkelnummer:

Produktinformasjon

Swivel hook by Crosby, model L-322 AN

Produktegenskaper

Løftekroker har markeringer smidd inn i produktet som dekker to QUIC-CHECK® funksjoner.
Deformasjonsindikatorer – To strategisk plasserte markeringer, én like under skaftet eller øyet og én på krokspissen, som muliggjør en QUIC-CHECK®-måling for å avgjøre om åpningen i krokgapet har endret seg, noe som indikerer misbruk eller overbelastning.
Vinkelindikatorer – Angir maksimal inkludert vinkel som er tillatt mellom to stropp-/slingbein i kroken. Disse indikatorene gir også mulighet til å anslå andre inkluderende vinkler mellom to slingbein.

Andre opplysninger

  • Standard: NS-EN 1677-2
  • Materiale: Legert stål klasse 8.
  • Merking: CE-merket, Typebetegnelse og klasse.
  • Overflate: Lakkert
  • Advarsel: Må ikke varmebehandles!
  • Sikkerhetsfaktor: 4:1
  • Klasse: 8